HKS EVC ブーストコントローラー 配線付 説明書付き EVC-S | モニター系 | エレクトロニクス/ELECTRONICS | 製品情報 | HKS
(3072件)
Pontaパス特典
サンキュー配送
7540円(税込)
76ポイント(1%)
Pontaパス会員ならさらに+1%ポイント還元!
送料
(
)
3062
配送情報
お届け予定日:2026.04.20 23:11までにお届け
※一部地域・離島につきましては、表示のお届け予定日期間内にお届けできない場合があります。
ロットナンバー
1473646003
お買い物の前にチェック!
Pontaパス会員なら
ポイント+1%
ポイント+1%
商品説明








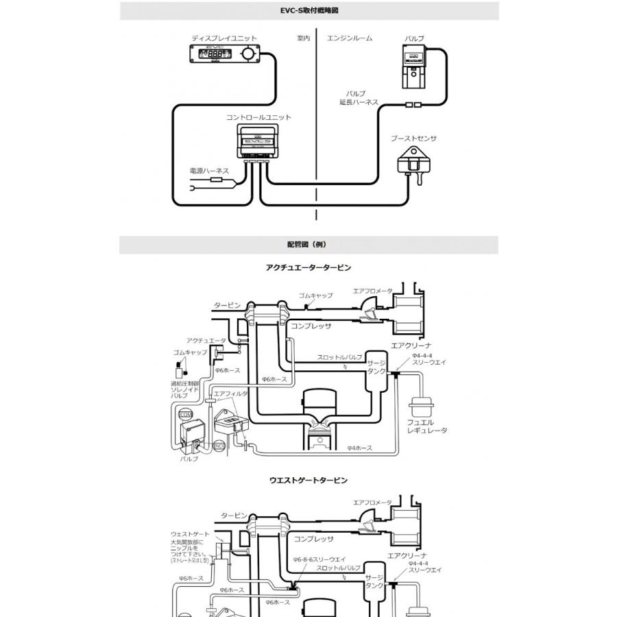
HKSのEVC Ⅳになります使用期間は4ヶ月くらいです。仕様変更のため外しました。Highブースト使用はほぼしておりません一応中古という事なのでジャンク品とさせていただきます。配線、ソレノイドバルブ、ホース、説明書一式揃っております中古品のため3nでお願いします
| カテゴリー: | 車・バイク・自転車>>>エンジン・過給器>>>エンジン部品 |
|---|---|
| 商品の状態: | やや傷や汚れあり","目につく傷や汚れがある |
| ブランド: | HKS |
| 配送料の負担: | 送料込み(出品者負担) |
| 配送の方法: | 佐川急便/日本郵便 |
| 発送元の地域: | 未定 |
| 発送までの日数: | 2~3日で発送 |
レビュー
商品の評価:




4.6点(3072件)
- humming5
- 交換前だだ漏れだったので不安だったのですが、交換して漏れはなく1ヶ月経過しました。この価格でオイル漏れが修繕できるのにディーラーに出すと4〜5万の見積でビックリです。
- おみや8828
- 全然馴染まない やり方がわるいのかな? タイミングチェーンとは反対側のヤツがどうしてもはみ出してくる プロに任せれば良かった。
- M12A21Y10A25
- 注文後翌々日には到着致しました。 商品に何も問題なく有難うございます。
- 彪燐丸
- 純正部品価格に比べて、6割程度の価格で入手できました。交換後、オイル漏れ等の問題もなく純正部品と何ら変わりありません。
- hiyoko0423
- 問題なく取り付けることができました。 また機会がありましたらよろしくお願いします。
- hopkins06
- ノーマルエンジン用です。耐久性から赤帽用は品番が違う様で少し細い物が来ましたが液体パッキンを要所に多めに使用して交換出来ました、交換後1万キロ程走りましたが漏れも収まり大丈夫の用です。
- 蘭☆85
- 今回、初めての購入でしたが取り付けて全く問題ありませんでした。
すべて見る
お店の情報
7,367
連絡・応対
4.3
配送スピード
4.3
梱包
4.3










